La caméra intensifiée passive, PIC-75, d’Obzerv, est un cœur de caméra compact et léger pour la vision nocturne. La PIC-75 amplifiera la faible lumière dans une large gamme de longueurs d'onde afin de révéler plus de détails de la scène d'intérêt en obscurité totale. Ce cœur de caméra est composé d'un intensificateur d'image de haute performance, couplé à un capteur CCD. Il comprend toutes les alimentations haute tension nécessaires à un crénelage rapide et efficace. L'intensificateur d'image est un composant électro-optique basé sur une galette de micro canaux (MCP). Le MCP amplifie électroniquement une image focalisée sur sa photocathode. L'image intensifiée est ensuite transférée de l'écran de phosphore vers un capteur CCD au moyen d'un faisceau de fibres optiques exclusif. La caméra peut être utilisée en mode continu ou crénelé à hautes fréquences.
Contrairement aux caméras CCD multiplicatrices d’électrons (EMCCD), la PIC-75 ne requiert pas le refroidissement de son capteur CCD, ce qui évite les problèmes de condensation. La caméra PIC-75 peut être configurée en mode de balayage progressif offrant une meilleure qualité d'image et sans artefacts pour les scènes très dynamiques. Avec une taille de 124 mm x 79 mm x 39 mm et pesant uniquement 320 g, ce cœur de caméra est l’un des plus petits et des plus légers disponible sur le marché.
La PIC-75 peut être utilisée pour une grande variété d'applications, et convient parfaitement aux exigences rigoureuses de la compréhension du contexte tactique dans les environnements militaires.
Applications
- Compréhension du contexte tactique
- Industriel
- Médical
- Astronomique
| CARACTÉRISTIQUES | AVANTAGES |
| Miniature et légère |
- Polyvalente, peut être intégrée dans différentes enceintes |
| Obturateur optique à haute vitesse, avec contrôle entièrement manuel | - Capacité à produire en temps réel des images à crénelage spatial |
| Pas de distorsion |
- Grande qualité d'image (périphérie comprise) |
| Haute résolution |
- Images claires et nettes - Aucun effet de grillage |
| Facile à installer et à utiliser |
- Pas besoin d'alimentation haute tension externe - Design à branchement et utilisation rapide - Interfaces de communication simples (RS-232 & TTL) |
| EMI blindé |
- Non affectée par les radiations électromagnétiques externes - N’émet pas des radiations |
| Produit Non ITAR | - La PIC-75 n'a pas à être contrôlée par ITAR. Seule une licence d'exportation est requise par le Ministère canadien des Affaires étrangères et du Commerce international (MAECI). |
Données générales |
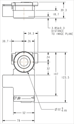
Dessin mécanique de la PIC-75![]() |
||
| Zone d’image active |
6.53 mm x 4.89 mm (8.16 mm Diagonale) |
||
| Résolution: (*1) | 41 lp/mm (min) | ||
| Alimentation |
5 VDC, 650 mA 12 VDC, 50 mA |
||
| Plage de température | |||
| Fonctionnement | -10 ̊C à 50 ̊C | ||
| Stockage | -20 ̊C à 60 ̊C | ||
|
Poids |
320 g | ||
Paramètres de l’intensificateur |
|||
| Type | Deuxième Génération | ||
| Photocathode | Multialkali | ||
| Sensibilité lumineuse | 800 uA/lm @ 2850 K (typique) | ||
| Photocathode | 70 mA/W @ 800 nm (typique) | ||
| Gain lumineux | 10000 (cd/m2)/lx (min) | ||
| Résolution | 70 lp/mm | ||
| Phosphore | P20 | ||
|
Rapport Signal-à-bruit (SNR) |
Min: 23, Typique: 25 | ||
Paramètres de la camera CCD |
|||
| Type de CCD | Sony ICX-414, CCD 1/2-pouce | ||
| Standard vidéo |
EIA ou CCIR Balayage progressif 30 ou 25 FPS Balayage progressif 60 ou 50 FPS |
||
| Sync |
Interne H-alimentation de la sortie (TTL) V-alimentation de la sortie (TTL) |
||
| Gain du vidéo | 6 dB à 40 dB | ||
| Gamma | 1 | ||
| Sortie vidéo | 1V p-p en 75 Ω | ||
|
Commande |
RS-232, niveau TTL | ||
Interface du crénelage |
|||
| Mode du crénelage | Externe | ||
| Seuil d’entrée | 3.5 V | ||
| Impédance d’entrée | 100 Ω | ||
| Niveau logique |
Haut = crénelage ouvert Bas = crénelage fermé |
||
| Largeur de crénelage min. | 40 ns | ||
| Fréquence du crénelage | DC à 75 kHz | ||
| Commande du gain | analogue (0 – 2.5 V à l’entrée) | ||
|
*1: Mesuré visuellement au centre du plan focal en utilisant un affichage vidéo blanc et noir ayant une résolution horizontale de 900 lignes TV. |
|||
